
加熱器 MT24702-1/2KW/380V
SRY3-220/4管狀電加熱器生產廠家
電鍋加熱棒 12KW 380V DN50316不銹鋼材質 產品簡介:加熱器 MT24702-1/2KW/380V
主要是對介質進行加熱的電加熱設備,以電轉換成熱能。采用不銹鋼電加熱管為發熱元件,產品內部設有多個導流板,引導著介質在內腔的滯留時間,從而使介質充分受熱均勻,提高熱交換率。內部高溫電壓系統由金屬管構成,在工作時,高溫循環系統內部具有絕緣導熱性能良好的氧化鎂鋁,管口兩端由硅膠陶瓷密封,結構不但*,加熱效果,是節能環保型管道電加熱器。
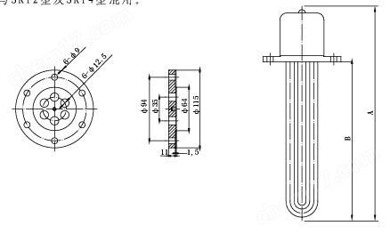
外形尺寸圖:

技術特點:
1、能使介質加熱到很高的的溫度,可達850℃,殼體溫度只有50℃左右;
2、效率高:可達0.9以上; 3、升溫和降溫速率快,可達10℃/S,調節過程快而穩定。不會出現所控介質溫度超前和滯后現象而導致控制溫度漂移不定,適合自動控制;
4、機械性能好:因為它的發熱體為特制合金材料,所以在高壓空氣流的沖擊下,它比任何發熱體的機械性能和強度都好,這對于需要長時間連續不斷對空氣加溫的系統和附件試驗更具有*性;
5、在不違反使用過程時,壽命可長達幾十年,屬經久耐用;
6、空氣潔凈,體積小;
電鍋加熱棒 12KW 380V DN50316不銹鋼材質 技術參數:加熱器 MT24702-1/2KW/380V
1、工作電壓允許誤差:不大于其額定值的1.1倍,外殼應有效接地。
2、工作環境:相對濕度不大于95%,無爆炸性和腐蝕性氣體。
3、金屬管材料:10號鋼。
4、zui高工作溫工:SRY2、SRY3為300℃,SRY4為100℃。
5、SRY2型、SRY4型的工作壓力小于2公斤/平方厘米。
6、SRY3型緊固件長度為25毫米。
應用范圍:
SRY3-220/4管狀電加熱器生產廠家,可將介質從初始溫度加熱到所需要的溫度,zui高可達850℃。已被廣泛的應用到航空航天、兵器工業、化工工業和高等院校等許多科研生產試驗室。特別適合于自動控溫和大流量高溫聯合系統和附件試驗,產品的加熱介質不導電、不燃燒、不爆炸、無化學腐蝕性、無污染、安全可靠、被加熱空間升溫快(可控)。
使用的范圍寬廣,可根據加熱氣體的不同細分為:氮氣加熱器和氫氣加熱器,這些又都可以被稱作管道式氣體加熱器。
